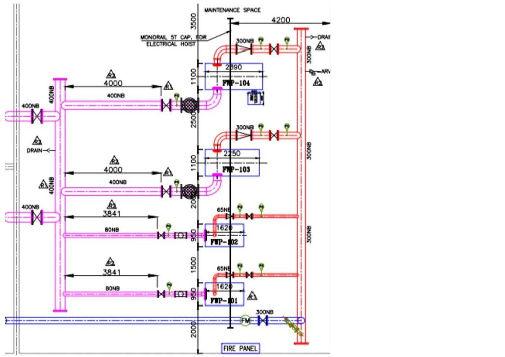
Services

Turnkey fire system services are offered by FJ Group Africa (Pty) Ltd. The fire systems services includes the design, installation, maintenance, and inspection of fire suppression, sprinklers, deluge systems, detection (addressable, conventional, aspirating), and safety equipment - SANS1475. We offer 24/7 support to ensure commercial, industrial, and residential properties are protected.

When Expertise and Experience are non-negotiable

FJ Group Africa (Pty) Ltd - Fire Specialist's image

Turnkey Design Solution

A turnkey fire design solution provides a comprehensive, end-to-end service, managing fire protection from initial risk assessment and engineering design to installation, commissioning, and ongoing maintenance. Full compliance with local safety regulations OHS Act, SANS and NFPA are ensured by the designs for your specific industries like mining, petrochemical, retail, and commercial, reducing the burden on facility managers.

FJ Group Africa (Pty) Ltd - Fire Specialist's image

Inspection and Maintenance

Fire systems servicing involves mandatory 12-month inspection, maintenance, and testing of fire detection, alarm, and suppression systems by registered SAQCC technicians to comply with SANS 10139 regulations and the OHS Act, insurance requirements, and fire safety laws. Services include inspecting fire extinguishers, sprinklers, pumps, and alarms to ensure that the systems are operational.

FJ Group Africa (Pty) Ltd - Fire Specialist's image

Installation and Commissioning

Fire system installation and commissioning is a critical process that ensures the safety and compliance of a building. Here are some key points that FJ Group Africa offers for fire system installation and commissioning services:
- Expertise and Experience
- Regulatory Compliance
- Quality Products
- Customized Solutions
- 24/7 Hour support

FJ Group Africa (Pty) Ltd - Fire Specialist's image

Room Integrity Testing

Professional room integrity testing (RIT) services is provided in South Africa, focusing on validating protected areas for gas fire suppression systems. They specialize in identifying leaks to ensure rooms maintain necessary gas concentrations, complying with standards such as SANS 10139.